服务热线
13350355997
作者: 凯潜滤油机 发布时间:2019-11-17 21:20 点击量: 来源:
yo米直播赛事
Chongqing Kaiqian Oil Purifier Manufacture CO .,LTD
TY-R100型润滑油系列真空滤油机(触摸屏PLC控制系统)
使用说明书
本说明书主要用于帮助用户能够正确使用本公司的设备,保证设备处于_佳运行状态,净化出产出优质的油品,并延长使用寿命,基于科学的态度,请用户使用本设备前,认真阅读《滤油机使用说明书》。
同时,为了保证操作人员的生命_,凡是设备标有:小心、危险符号均需使用者查阅说明说明书,弄清潜在的危险。
一、公司简介
重庆凯潜滤油机制造有限公司,位于重庆市沙坪坝区,是一家专业集研发、设计、生产、销售滤油机设备、出口滤油机设备为一体的高新科技企业。
公司拥有一批专业油净化处理专家和资深的研发设计高级工程师团队,荣获GB/T19001-2008/ISO9001质量体系认证,应用现代化科技,严格按照机械工业部JB/T5285--2008标准和电力工业部DL-T521-93标准自主研发。成功研制出品质卓越、性能可靠、工艺一流的十多个系列、上百种规格型号的滤油机设备,畅销_,电力、核电、风电、水电、石油、石化、化工、煤化工、航空、铁路、地铁、_、铝业、船舶、水泥、制药、纸业、汽车制造、国家重点电网、500KV-1000KV换流站真空滤油机、电业局35KV-220KV变电所等领域。实实在在帮助企业客户解决油污染难题,为广大用户节能降耗起到重要的作用。
二、产品介绍:
(一)型号说明:
(二)产品构成、原理及外观介绍:
1、产品结构及原理:
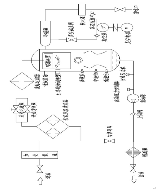
本系统主要分为四部分,.部分是原油预处理;.部分是真空分离系统;第三部分是产品油输出系统;第四部分整机控制系统。
真空滤油机根据减压分离,分子吸附、真空干燥、机械精密过滤原理。真空滤油机为单独的一台整机,无任何附属机械设备,利用水的饱和温度曲线和真空干燥原理进行立体的、多层面的快速效率高油水分离技术,多级大通量深层次精密过滤技术,经处理后的油品达到国标使用标准。
三、产品外观图、流程图及电路控制图
a.外形图

b.流程图

四、产品技术参数:
4.1.设备名称:润滑油系列真空滤油机
4.2.规格型号:TY-R100
4.3.介质:润滑油、液压油、抗磨液压油等
4.4.流量:100L∕min
4.5.电源:380V±10%50Hz±10三相五线制
4.6.加热功率:48KW
4.7.总 功 率:53KW
4.8.破乳化度≤15min
4.9.工作极限真空度-0.07~0.099Mpa(90000Pa)
4.10.工作温度: 0~80℃(智能调节)
4.11.工作压力:≤0.5 Mpa
4.12.过滤精度: ≤5μm
4.13.噪音:≤75dB
4.14.连续工作时间:≥ 168h
4.15.平均无故障时间:≥ 20000h
4.16.进出管径: DN40/DN40
4.17.运行方式: 连续在线或间断,正压或负压均可运行。
4.18.安装方式:移动式或固定式
4.19.设备外形尺寸:长1450mmX宽950mmX高1700mm.(随设备型号而定)
4.20.设备净重:0.55t
4.21.材质:钢材
原油要求:
原油:
源油流量:≥
原油温度:0~60℃。
五、用前准备及检查
5.1.真空滤油机的各部件在出厂前已经过调试运行试验,运到使用现场时须检查各部件是否完好无损。检查油泵与油泵电机连接轴是否同心、是否有松动现象,用手扳动油泵连接轴处查看是否有卡轴现象(如有此现象应立即校对油泵连接轴,直至校正后方可使用)。检查真空泵与真空泵电机皮带盘是否是一条直线,是否平行,有无错位现象,皮带松紧是否适中(如有此现象应校正后方可使用)。
5.2.将设备牵引到适合该设备运行的场所,真空滤油机安放平稳,试转检查不能有摇摆、震动。进油口接通机组油箱放油口,出油口接通机组油箱进油口。
5.3.准备符合该设备功率及电流的电缆电线(三相五线),真空滤油机接好电源(三相五线)及地线,滤油机上的配电柜以及油泵、真空泵、、加热管、接线处应进行检查,确保连接牢固、绝缘可靠。
5.4.油泵电机、真空泵电机、、试启动观察是否按要求方向旋转(按箭头标示方向),否则将电源调换相序。(反方向旋转将会严重损坏设备)
5.5.在线进行油处理时,要适当补充同牌号油保证油箱油位正常。
5.6.应固定好进线电源线,以防掉落触电。确认电源是否有短路、三相不平衡以及缺项现象。
5.7.查看真空泵、是否加油(油应加至标注的液位范围内)。
5.8.值班人员应注意进、出油和电机运转情况。严禁缺相运转。
六、系统特性:
▲具有自动供油、恒温加热、油满进油电磁阀自动停止、真空分离、消泡处理、自动输出油料、联锁、报警保护等功能。
▲具有压力、温度、真空度等在线监测。
▲人机界面强,操作简单,可以做到全程无人监护运行。
6.1.控制面板:
(1)电源开关:
向右旋转钥匙开关,接通电源,指示灯亮、触摸屏显示,向左旋转钥匙开关时电源断开(控制电源),指示灯灭、触摸屏关闭。
(2)触摸屏组态画面简介、操作:
A、主界面:
1) 内有“流程图界面”、“故障指示”、“操作说明”、“故障排除说面”、“联系我们”、“产品信息”界面按钮。你可以根据相应的需求选择相应的界面进行操作;
B、“操作界面”:
此界面是对设备进行运行操作的:设定系统参数,选择手动、自动运行模式(默认为手动操作)、手动操作、自动操作
1)参数设定:触摸相应的输入域,弹出输入键盘,录入数据后按enter键即可。
工作参数设定参照表:
3
消泡时间 2-5秒 根据泡沫多少设定
备注:温度设置在智能温控仪上设置,根据处理介质设置合理的的参数设定温度为55-65℃,表示当温度到达设定温度后加热器停止加热,温度降至低于设置温度5℃后又重新加热。
2)模式选择:
3)通电后,电源钥匙按顺时针方向扭动,控制系统通电,然后触摸“操作及流程”按钮进入操作界面,系统默认为手动状态,直接可以进行手动操作。
4)手动运行开机操作流程:
首先关闭所有阀门(进、出油阀门、手动消泡阀门、排污排水阀门),触摸“真空泵启动”按钮,相应的设备运行、指示灯亮,当真空度达到0.07Mpa时(观察真空表)打开滤油机的进油阀,观察中液位指示灯亮起后打开滤油机的出油阀,触摸“出油泵启动”按钮,相应的设备运行、指示灯亮,然后触摸“加热启动”按钮,相应的设备运行、指示灯亮。由此手动运行完成。
注:手动状态下加热器和真空泵实行联锁,真空泵不工作加热器启动操作无效。
手动或自动加热都受温度的控制。
手动运行关机流程:首先关闭加热器,让滤油机再运行3-5分钟后关闭进油阀(冷却加热装置),停止真空泵,解除滤油机内的真空,观察出油管无油流动后停止出油泵,关闭出油阀,关闭电源即可。
自动操作:
首先打开滤油机进出油阀门,触摸“自动启动”按钮,设备进入自动运行状态;触摸“自动停止”按钮设备停止运行。
注:自动状态下加热器和出油泵联锁,出油泵不工作时加热器也停止工作。
5)界面切换按钮:
触摸“操作界面”按钮进入操作界面画面,触摸“流程图”按钮进入“流程图”界面。
此界面显示设备运行的形象化、动态化工艺流程,对整个生产工艺的监控。界面内有“返回操作”按钮,触摸后进入操作界面。
D、“故障指示”界面:

1)显示设备遇到故障报警对应信息
2)设备运行过程中,遭遇报警,设备停止运行,“故障指示”界面跳出,显示报警信息
3)报警信息消除方法:关闭电源,参照故障排除说明处理相应的报警问题后重新上电。
E、“故障排除说明”:

简单介绍设备遇到故障时,应该进行的基本操作。
F、“联系我们”界面:
主要介绍公司的基本情况、联系方式等等。

G、“产品信息”:
主要介绍产品的型号、出厂编号、设备出厂时间。
6.2控制逻辑简介:
1)手动模式下:
触摸“真空泵开”按钮,真空泵启动、相应的指示灯亮;触摸“真空泵关”,真空泵停止运行、指示灯灭。
触摸“进油泵开”按钮,进油泵启动、相应的指示灯亮;触摸“进油泵关”,进油泵停止运行、指示灯灭。当油位上升至高液位时停止正在运行的进油泵自动停止工作。
触摸“出油泵开”按钮,出油泵启动、相应的指示灯亮;触摸“出油泵关”,出油泵停止运行、指示灯灭。当油位下降至低液位停止正在运行的出油泵自动停止工作。
在进油电磁阀工作,触摸“加热开”按钮,加热器启动、相应的指示灯亮;触摸“加热器关”,加热器停止运行、指示灯灭;当加热运行温度超过设定温度,停止加热;当温度下降至回差温度设定值,加热器又重新启动运行,这样周而复始地工作。正在运行的加热器,如果遇进油泵停止工作,加热器停止自动工作。
2)自动模式下:
触摸“自动开”按钮,本设备启动运行:
a、真空泵启动;真空泵触发
b、进油电磁阀控制:真空泵启动后自动检测油位,如果低于中液位,打开进油电磁阀,随着油位上升至高液位时进油电磁阀停止工作,这样周而复始的工作;
c、加热器控制:进油电磁阀启动后;检测油温,低于回差温度(参数可设置)加热;高于设定温度(参数可设置)停止加热,这样周而复始地工作;进油电磁阀停止工作,加热器也停止工作;
d、出油泵控制:开机后检测油位,如果油液至中液位开关,出油泵工作,随着油位下降至低液位时,出油泵停止工作,这样周而复始的工作。
3)消泡控制:设备自动运行后,红外线光电开关一但检测到油沫,消泡电磁阀打开,并保持一定时间(参数可设置)后延时关闭。
4)报警说明:
无论在任何模式下运行,遭遇报警触发,设备会立即停止工作,声光报警运行,同时在触摸屏弹出“故障指示”界面,显示报警信息:触发时间、报警源(出油压力、热继电器、急停按钮);报警复位的方法,关闭面板控制电源,处理相应的报警问题后重新上电触摸操作界面的”报警复位“按钮即可从新启动设备。
5)急停操作:
设备运行过程中如遇漏油、电机异响等情况,按下面板上的急停开关,设备立即停止工作;复位的方法,关闭面板控制电源,右旋急停开关,重新上电。
七、产品适用范围:
真空滤油机广泛用于变压器绝缘油、润滑油、汽轮机透平油、液压油、抗磨液压油、航空液压油、基础油等;主要去除油中水分、杂质、游离碳、气体、金属杂质、酸值、胶质等;达到用油更清洁,延长油品使用周期从而达到节能降耗节约用油成本
八、系统标识介绍:
1_标识:
小心,危险
~交流
电击危险
保护接地
2、系统零部件标识:与电路图、管路流程一致。
九、设备安装:
1、设备安装要求:
1.1设备安装环境要求:
温度:-25~45℃。
相对湿度:≤80﹪。
大气压:70kPa-106kPa。
污染等级:1级。
海拔高度:不超过4500米。
电源配置:额定电压:380V/50赫兹(三相五线制),负载53KW。
设备应尽量装在通风干燥、地面比较平整的环境。
1.2设备放置稳定、可靠、位置合理、正确且保持水平。
1.3系统内外管道布置合理,连接整齐,牢固可靠不得有泄漏。
1.4系统电源、电线配备符合设计要求, (电源线规格3×55mm2 +2×20mm2 ),网电源空气开关(设备的断开装置)应安装在主机附件,_好距离主机不超过5米且方便操作人员开关,系统必须可靠接地(参照电路图)。
2、设备安装:
2.1组件和管件连接:按照系统流程和系统装配图对主件和管路进行装配,要求管路横平竖直;各组件牢固可靠,便于拆卸维修。
2.2电气连接:按照设计图对电路进行连接,要求正确无误,同时布线整齐合理。
十、系统操作方法:
1、上班时检查机器有无漏油等故障迹象,各阀门是否置于正确的位置,否则处理;
2、打开面板上的电源开关;
3、启动设备(参照触摸屏功能、操作说明)
4、下班时关,切断面板控制电源开关,断开外部电源装置(空气开关);关闭相应的阀门。
十一、系统使用注意事项:
1、真空泵工作时,应注意油标显示的油液情况,(油液应在油标线上),真空泵油中水分较多时,应及时更换。
2、运行中发现积存在储水器中的积水满时,可手动操作放水阀实施放水。
3、当冷却器液位管上显示有凝结水时,须及时排出(关闭滤油机,解除真空,然后打开冷却器下端的阀门,将凝结水放掉)。
4、运行中随时注意真空泵及相应的运行噪声是否正常,如异常应立即排除。
5、当进油量不足时应停机检查,初滤芯、二级过滤芯是否被杂质堵塞,若被杂质堵塞,初滤芯,二级过滤,三级过滤拆出清洗。
6、本机停置不用时,应将真空泵油放尽,注入新油。在冬季特别注意,放净真空泵内和水箱内的水,否则要冻坏真空泵和积水箱。
十二、系统维护:
一个设备除有了合理的设计,优质的选材,精心的安装调试外,良好的系统
维护是延长设备寿命的重要保证。
1、本机必须实施保护性接地。
2、保持滤油机的清洁,防止杂物进入。
3、.真空泵的使用及维护,请参见真空泵说明书。
4、定期放尽冷却罐内储水。
5、真空泵润滑油采用(KK-100#)真空泵油。
6、加热器内无油流动时,不允许通电加热,当观察其真空罐液位即进出油达到平衡后方可加热。
7、真空滤油机系统若工作压力达0.5Mpa时,必须清洗或更换出油过滤器芯。
8、初滤芯需经常拆下清洗以保护清洁,避免堵塞造成进油不足或压力过高。
9、维护应记住零件装配位置,紧固件应紧固无松动。
10、运行时,对系统管道、阀门和电动机等应随机检查。
11、开机前检查电机旋转方向是否与要求相同,并确认无卡阻、松动现象。
12、操作本机时,必须结合实物详细阅读本机使用说明书。
13、本机停置不用时,应将真空泵油放尽注入新油,同时出油阀门,将存油放尽建议每天开机和关时。
十三、常见故障诊断及处理方法
故障观察
原因分析 排除方法 平稳运行中进口流量减少或不能进油 1.初滤器堵塞,阻力增大。 2.二级过滤堵塞,阻力增大、 3. 排油泵油封漏气; 4. 吸油管太细或吸程太深; 5. 真空缸内喷油小孔堵塞。 1.拆洗初滤器。 2.二,三级过滤器清洗。 3. 调整油封压盖,如无需换油封; 4. 改善环境; 5. 拆洗。 起动或运行过程中油泵声音不正常 1.泵内有气塞、产生噪音,泵内缺油或油中带进大量空气。 2.进口连接管存有空气带进油泵。 检查进油情况,调节入出口阀门开关,进油管排除空气。 启动加热器,油温不见升温 1.感温探头落出。 2.电加热接触器问题。 3.电路断路。 4.加热管烧坏。 1.固定感温探头。 2.检查或更换。 3.检修线路。 4.更换加热器。 真空度下降,达不到额定数值 1.管路接头或其它密封不严,产生漏气。 2.真空泵油不足。 3.真空泵油脏。 4.真空泵排气阀片或其它不见损坏。 5.真空表指示不正确。 6.由于使用地点海拔高度不中不在标准大气压情况下影响真空度变化; 1.检修。 2.注入真空油到油标线。 3.更换新油。 4.检修。 5.校准或更换。 6. 属正常提高油的温度,使水达到蒸发。 真空泵启动困难 1.废物掉入泵内。 2.皮带过松或过紧或联轴器故障。 3.电源缺相或电机故障。 1.检查,重点查进气口铜滤网是否被碎掉入。 2.检修。 真空泵排气口喷油 1. 泵内油量过多。 2. 被净化油含水过重,汽化成份及泡沫太多。 3. 真空罐内存油太多。 4.被过滤油含水量多,油漂上升被吸入真空泵,真空泵油位上升; 5.真空泵内密封垫移位或损坏。 1. 放油至油标中心线略下。 2. 开气镇阀,提高油温,降低真空度。 3. 停机后,启动排油泵抽油,油位下降后,再开真空泵。 4.真空油不得高出油位线; 5.检修。 真空泵-电机运转中途停止 1.电压太大。 2.电源缺相。 1.暂停使用。 2.检查电源。 过滤油不合格 1.油质含水量高。 2.油液加热不足。 3.滤网破损。 4.设备再次使用未清洗。 5.真空度过低。 1.增加过滤次数。 2.提高加热温度。 3.检修,更换过滤元件。 4.清洗。 5.检查各部位是否密封不严漏气。 排油量减少或不出油 1.真空罐内油位过低。 2.高真空度。 3.油箱或油罐位置较高。 4.齿轮泵油封漏气。 1.增大进油量。 2.降低真空度。 3.降低高度。 4.换油封或油泵。
十四、耗材更换周期:
注:
1.更换周期前提条件:严格参照说明书操作维护。
2.所有耗材替代品更换必须由生产厂家提供,否则可能造成对滤油机以及客户设备的危害。
▲ 制造标准:
1.严格按照机械工业部 JB/T5285-2001电力部行业标准 DL/T521-2004;
2.JB/T5285-2001《真空净油机技术条件》
3.GB/T15464-1995《仪器仪表包装通用技术条件》
4.JB/T9329-1998《仪器仪表运输、运输贮存基本环境条件及试验方法》
5.DL/T521-2004《真空净油机使用验收导则》
6.GB2423 《电工电子产品基本环境试验规程》
7.QB5226 《电气设备通用技术条件》
8.ZBJ051.004 《金属焊接、通用技术焊接》
9.B/T13926 《工业过程测量和控制装置的电磁兼容性》
10.GB50171-92电气装置安装工程盘、柜及二次回路结线施工及验收规范
11.GB50065-1994电气装置的接地设计规范其他相关国家及行业标准
12.JB4753-1997《钢制焊接常压容器》
13.GB/T47931.1-1995《测量、控制和试验室用电气设备的_要求,.部分:通用要求(idt IEC61010-1:1990)》
十五、储藏运输及搬动
1、储藏、运输:温度:-25--45℃;排掉机内容器积油、水,密封各端口;禁止倒置、防雨、防潮、防日照。
2、在安装环境搬运时,推动机壳,滤油机依靠自身脚轮移动、搬运。
地址:重庆市沙坪坝区覃家岗镇新桥村石梯沟社幸福小区
销售部:023-65217597
技术部:(86)13350355997
023-65217916
售后部:023-65217916
传 真:023-65217916
QQ: 2904490491
邮箱: KQGY668@163.com