一、橇装式油过滤装置设备介绍
该装置用于油田流体、注水作业和盐水的过滤,能有效去除流体中混入的油滴、颗粒等杂质。
本装置具有油水分离过滤功能,可对含油水进行多次过滤,同时可去除水中的颗粒物及其他污染物,达到净化过滤的作用。
该系统通过多个阀门和2个过滤釜体和管道连接来实现过滤功能。
1、系统流程及参数
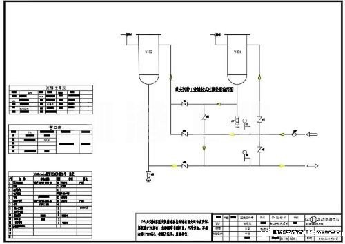
撬装式过滤装置如下图所示。 通过蝶阀(板阀)的切换,可以实现过滤釜过程连接的切换功能,两个过滤釜可以串联使用。
系统阀门及工艺:

二、单元组成及功能
该机组主要由过滤釜、滑移系统、管道及阀门组等组成。
整体外观及配管连接如下:
根据工艺要求设置两套过滤釜,一备一用,分别为过滤釜1和过滤釜2。根据过滤所需的功能,系统采用4"管道连接,_大压力 系统压力为1.05MPa,管道与过滤釜1、过滤釜2与阀门选用耐压1.2MPa规格连接。





