一、概述
LXT-150LTP型离心滤油机主要应用在在润滑油、液压油、汽轮机透平油、柴油、轻质燃油等矿物油的净化和澄清处理,用来去除油中的水分、机械杂质及部分有害物质。此机型为自动清渣型分离机,分离效率高,无需拆机即可实现全部排渣,另外根据需求可实现全自动控制,大大降低了操作人员的劳动强度。
本机经精确的动平衡校验,振动极小,可长时间运行,使用安全可靠。
二、技术及性能参数介绍
额 定 处 理 量: 9000L/h()
转 鼓 转 速: 7200 r/min
分 离 因 数: 6950
排 渣 方 式: 自动全部排渣;
向心泵输出压力: ≥0.2MPa
振 动 速 度: ≤4.5 mm/s
噪 声 声 压 级: ≤88 dB(A)
加热器过滤: 9kW(可根据客户要求设计)
电 机 功 率: 5kW
整 机 重 量: ~650 kg
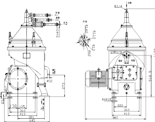
外 形 尺 寸: 1265mmX645mmX1300mm(长X宽X高)
转鼓结构原理图:

各种矿物油的分离条件和实际处理量
油品 | 燃料油 | 润滑油 | ||||||||||
馏分燃料油 | 残渣燃料油 | 优质油 | 净化油 | 汽轮机油 | ||||||||
运动粘度/ (mm2/s) | 1.9~5.5 | 5.5~24 | 60 | 80 | 120 | 180 | 380 | 460 | 600 | 100~120 | 61.2~74.8 | |
40℃ | 50℃ | 40℃ | 40℃ | |||||||||
密度/ (kg/mm3)(20℃) | <900 | 900~991 | 880~900 | <900 | ||||||||
分离温度/℃ | 20 | 40 | 75 | 80 | 90 | 98 | 80 | 75 | ||||
实际处理量与额定处理量的比值/% | 130 | 100 | 70~75 | 60~65 | 55~60 | 45~50 | 35~40 | 25~30 | 20~25 | 50~60 | 25~30 | 80~85 |
注:实际处理量与额定处理量的百分比数是以额定处理量为100%时的比值 | ||||||||||||
三、外形及安装尺寸图

外形及安装尺寸图
四、供货范围
离心分离机一台(含电动机);备件一套;专用工具一套;合格证书一份;随机出厂资料一套(含装箱清单、操作维护手册)
根据合同要求,可提供控制箱和其他辅件。

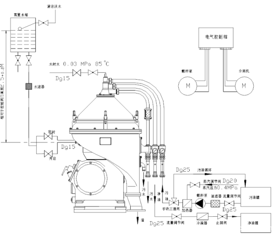
手动操作控制系统图







